DEMO TX a RX
Jedním z rychle se rozvíjejících oborů je vysokofrekvenční technika, bez které si ani nemůžeme představit, co vidí na své pouti vozítko na Marsu, nemůžeme v TV vidět oblíbené herce, domluvit se pomocí „vysílačky“ co bude k obědu…. a podobně – těch možných využití je strašně moc. Samozřejmě, že dnes je to již moderní technika, která se stále rozvíjí, ale – jen tak pro zajímavost, jak to vše začalo.
Myšlenkou získat elektromagnetické vlny a prozkoumat jejich vlastnosti se zabýval učenec Heinrich Rudolf Hertz (narodil se 22.února 1857) již od roku 1879, kdy berlínská Akademie věd vypsala konkurzní téma na experimentální potvrzení existence posuvných proudů, které byly jednou ze základních hypotéz Maxwellovy teorie elektromagnetického pole. Sestrojil indukční cívku produkující jiskry, kolem nichž se mělo podle Maxwellovy teorie do prostoru šířit elektromagnetické pole a obdobné zařízení, které toto pole mělo zachytit.
Následující povídání je určeno těm, kteří by si chtěli jeho pokusy odzkoušet, všem těm, kteří se nespokojí se suchopárným výkladem „co to je vysílač a přijímač“, ale dovedou i zapojit své ruce.

Sestava vysílač - přijímač
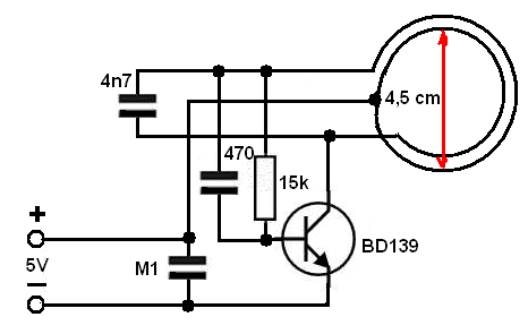
Na tomto obrázku je vidět jednoduché zařízení, vyrábějící elektromagnetické vlny, které se pak šíří prostorem k přijímači. Jeho zapojení je schematicky znázorněno na dalším obrázku. V podstatě je to obvod vyrábějící vysokofrekvenční kmity, tak zvaný oscilátor, osazený tranzistorem BD139 (nebo KD139), cívku jeho laděného obvodu tvoří dva závity silnějšího vodiče, která zároveň slouží jako (rámová) vysílací anténa. Celý obvod je napájen ze zdroje stejnosměrného napětí 5V, poslouží třeba i plochá baterie 4,5V.

Vysílací část
Přijímač je opět velmi jednoduchý, je to v podstatě krystalka, jejíž cívka laděného obvodu slouží jako přijímací anténa, a místo sluchátek (nemodulované vysílání by stejně nebylo slyšet) má připojenu světelnou diodu (LED) která svým rozsvícením signalizuje příjem elektromagnetických vln.

Přijímací část
Jistě příjdete sami na námět k různým pokusům, jaké se s tímto zařízením dají provádět, třeba jak se mění síla přijímaného signálu se vzdáleností přijímače od vysílače, ladění změnou kapacity, a hele, ony ty antény se dají směrovat…. atd.